Système électrique CC à Moyenne Tension
L'Electronique de Puissance est un outil essentiel de la transition accélérée vers l'obtention d'un système électrique zéro carbone. Cette technologie permet de contrôler les flux de puissance électrique grâce à des équipements tels que les coupleurs CC, les connexions point à point que sont les liaisons CC, et les réseaux maillés CC comportant de nombreux points de connexion. Un système CC à moyenne tension (CCMT) peut être vu comme fonctionnant de la même façon qu'un système CC à haute tension (CCHT) dans les réseaux de transport, mais à plus petite échelle et s'étendant sur des distances moindres, ou sur un site particulier. Ces systèmes CCMT permettent une exploitation plus flexible que celle qui est possible des systèmes CC classiques, grâce au contrôle flexible des transits, à des capacités de connexion à structure donnée accrues par rapport à la solution CA, et une optimisation de la tension, et ainsi une utilisation plus efficiente des ressources du réseau.
Membres
Chef de file
(GB)
J. YU
Secrétaire
(GB)
J. LIANG
A. MOON (GB), C. LIU (CN), G. LI (GB), X. WANG (CN), T. JOSEPH (GB), Y. WANG (CN), N. MACLEOD (GB), Z. MA (CN), W. LIU (GB), S. NORRGA (SE), S. JUPE (GB), R. MAJUMDER (SE), P. ATTAVIRIYANUPAP (JP), P. DWORAKOWSKI (FR), S. RUPP (DE), D. CORBET (FR), P. LURKENS (DE), P. MAIBACH (CH), G. D. CARNE (DE), M. CORTI (IT), A. LUKASCHIK (DE), T. MANNA (US), G. KONSTANTINOU (AU)
Intégrés dans des réseaux de distribution, les systèmes CCMT devraient faciliter la connexion d'un volume croissant de productions décentralisées renouvelables qui requièrent pour la plupart une interface de raccordement à électronique de puissance, et de charges CC. On envisage d'utiliser les systèmes CCMT pour collecter la production des sources renouvelables (similaire au système de collecte des productions des parcs éoliens, ou des fermes solaires, terrestres ou offshore) et alimenter les charges CC telles que les installations de production d'hydrogène ou de production de gaz, les systèmes de charge de puissance et de stockage d'énergie. En plus de cette fonction de connexion directe on envisage que les systèmes CCMT de distribution assurent des fonctions plus importantes telles que :
- Apporter un accroissement des capacités de transfert des installations existantes, et dégager des capacités supplémentaires de raccordement de productions décentralisées ;
- Permettre une charge plus rapide dans un système de transport électrifié, grâce à la charge CC ;
- Fournir un moyen plus contrôlable permettant une fourniture d'énergie plus fiable ;
- Contribuer à un réseau plus efficient et plus durable par une réduction des pertes réseau globales ;
- Permettre aux responsables et aux clients des systèmes de distribution de pouvoir fournir plus de services à l'exploitant du système électrique, c. à d. contribuer à la transition de l'exploitation des systèmes de distribution ;
- Coupler la basse tension (BT, par ex, 400 V) et la tension de transport (plus élevée que 132 kV) pour rendre possible un contrôle holistique du système électrique.

Figure 1 – Site DC de Angle: mis en service opérationnel en 2022, Galles du Nord, Royaume-Uni
Sur la base des travaux précédents des Groupes de Travail CIGRE du CE C6 (Systèmes de Distribution Actifs et Productions Décentralisées) et du CE B4 (Systèmes CC et Electronique de Puissance), le Groupe de Travail Commun C6/B4.37 – Systèmes de Distribution CC à Moyenne Tension – a été mis en place pour produire la Brochure Technique (BT) d'audience internationale, à laquelle a contribué efficacement l'organisation Angle DC, le projet phare innovant Britannique Network Innovation Competition (Figure 1).
Dans la BT "Systèmes de Distribution CC à Moyenne Tension (CCMT)" on s'intéresse en particulier à la structure, la planification, l'exploitation et à la connexion des systèmes CCMT à l'architecture actuelle des systèmes de distribution, des points de vue de la technologie et des avantages. Les topologies et structures des systèmes qui sont proposées sont aisément transposables dans un réseau générique de distribution MT. La BT peut être lue parallèlement avec la BT 793, récemment publiée par le GT C6.31, qui traite de la faisabilité des réseaux CCMT.
La solution CCMT a été développée comme une alternative valide et novatrice aux réseaux de distribution électrique, aux applications industrielles, au système de transport zéro carbone et au raccordement des productions offshore, qui représentent un marché potentiel de 88 milliards de $ à l'horizon 2025.

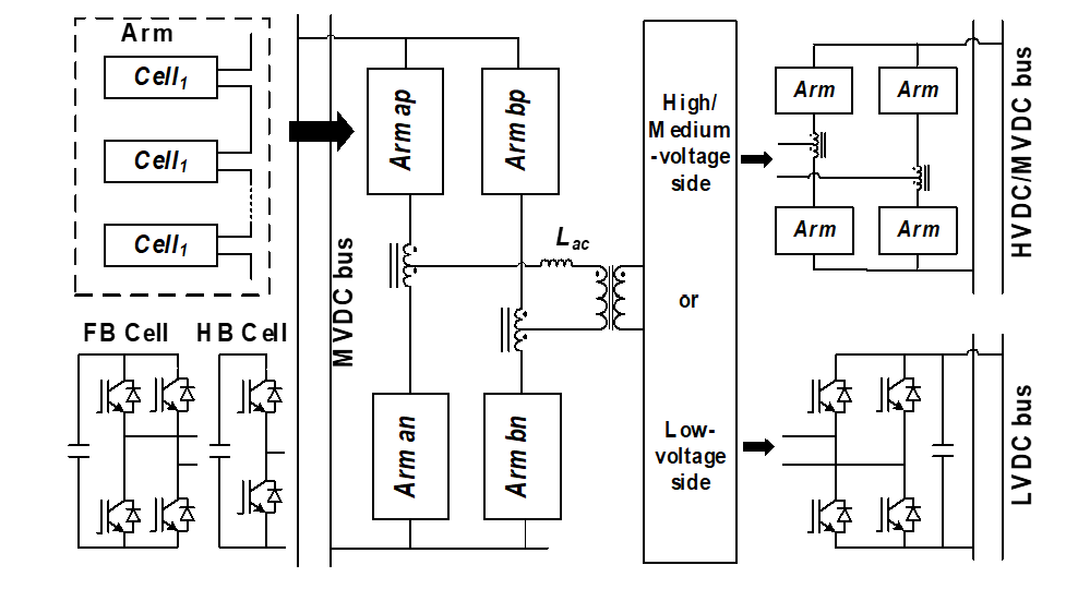
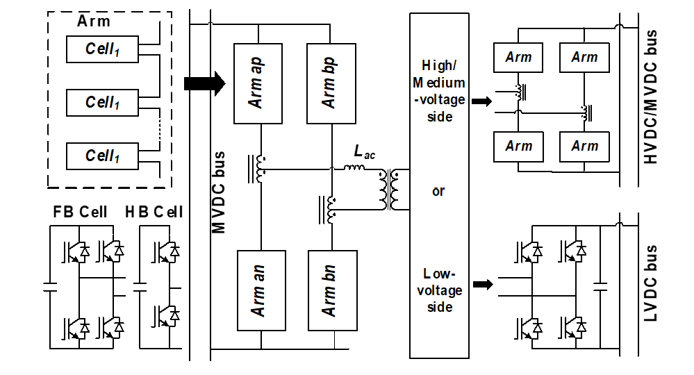
Figure 2 – Convertisseur CC-CC isolé modulaire multi-niveaux comportant à un étage MMC du côté moyenne tension connecté à un bus CCMT
Dans la BT sont abordés, et étudiés de façon exhaustive, la technologie, les normes et les avantages économiques des CCMT (Figure 2). S'appuyant sur des innovations réelles et des démonstrations, la BT est très intéressante du fait de ses considérations pratiques, et peut servir d'avant-projet pour des applications à venir.
Dans la BT les enseignements importants et les normes d'ingénierie se rapportant à la planification et à la conception, à la production du projet, à son exploitation et sa protection, et à l'interconnexion au réseau des systèmes CCMT de distribution sont discutés. La BT présente les points de vue industriels les plus récents et les résultats des interactions, au niveau international, entre les communautés de chercheurs et le monde industriel, et contribue à la maturité du marché des CCMT. Les avantages potentiels des réseaux CCMT comme composante, et comme alternative, des réseaux CA de distribution sont explorés. Les normes CCMT sont résumées. Elle fournit aussi des informations sur les systèmes de commande CCMT et leurs applications (Figure 3).
In this Technical Brochure, key findings and engineering standards regarding the planning and design, project delivery, operation and protection, and grid interconnection of MVDC distribution systems have been discussed. This TB reflects the latest industrial insights and the effective interactions between research communities and the industry at the international level to uplift the readiness of MVDC market. The potential advantages of MVDC networks as an integrated part of and an alternative to AC distribution networks are explored. MVDC standards are summarised. MVDC drive systems and their applications are also provided.

Figure 3 – Un système d'alimentation de traction CCMT à convertisseur VSC
Les principaux enseignements portent sur :
- Les pratiques de planification des systèmes de distribution CCMT : Il n'existe pas actuellement de norme couvrant le CCMT. Les pratiques d'ingénierie sont requises pour constituer des références et être combinées à certaines procédures d'essai CCHT ainsi qu'aux codes réseaux classiques de distribution CA, dont ils font partie. Sur la base de la démonstration proposée par Angle DC, il est confirmé que la CCMT peut satisfaire les codes de réseaux existants ;
- L'ensemble des exigences d'exploitation et de protection : dans la BT on définit les exigences en matière de gestion de l'énergie, d'équilibre, de distribution de l'énergie, et du partage entre production des DER et des autres sources. On examine également l'exploitation des réseaux de distribution avec CCMT et la coordination avec les autres DER, comme les PV et les parcs éoliens.
- Comment les CCMT peuvent être une interface efficace avec la CCBT et la CCHT : Les futurs réseaux CCMT constitueront la couche intermédiaire interconnectant les réseaux HT et MT (pas seulement les réseaux CC mais aussi CA). Les topologies de conversion de puissance utilisées dans ces interconnexions sont étudiées.
- Les autres applications importantes qui peuvent profiter de cette technologie, comme les systèmes de commande CCMT, les connexions des productions offshore et les transports ;
- Partant des enseignements des projets existants on souligne aussi dans la BT les difficultés, les risques potentiels, et les solutions applicables pour le déploiement des projets CCMT, et on propose des recommandations de conception et des réflexions importantes sur le déploiement des systèmes CCMT.
Pour réaliser un futur système CCMT basé sur l'électronique de puissance, il faudra encore beaucoup de travail : disposer de convertisseurs de puissance de faible coût, de rendement élevé et fiables, d'équipements de protection rapides et fiables, avoir défini des approches de contrôle et de protection, des critères et des outils de planification holistiques etc. La BT va contribuer à la promotion du développement des technologies CC pour les systèmes de distribution, issue des activités de recherche et de l'industrie.
Remerciements
Merci à tous les membres et membres correspondants pour leur participation et leurs contributions. Remerciements particuliers à Stephan Rupp, Philippe Maibach, Tapan Manna, Xiaohui Wang, Piotr Dworakowski, Ritwik Majumder, Staffan Norrga, Chuang Liu, Peter Lürkens et Matteo Corti, pour leur travail ardu et leurs contributions de grande valeur. Merci à David Corbet and Zhao Ma, pour leur participation et leurs commentaires pertinents sur la Brochure Technique. Merci à Samuel Jupe pour la révision finale du projet de Brochure Technique. Merci à Gen Li et Tibin Joseph pour la coordination et l'organisation des activités du GT. Merci à Gen Li pour la mise en forme et la vérification de la Brochure Technique.