Medium Voltage DC System
Power Electronics is a critical enabler for an accelerated transition to achieve a net-zero carbon electricity network. Such technology provides controlled power flow as DC couplers, point-to-point connections as DC links and meshed DC grids with multiple points of connection. Medium-voltage DC (MVDC) can be viewed as acting in the same way as high-voltage DC (HVDC) systems in transmission grids, just on a smaller scale and over comparatively shorter distances or at a specific site. Such MVDC systems allow much more flexible ways of grid operation beyond the scope of conventional AC systems by flexible power flow control, increased connection capacity on the same infrastructure compared with AC and voltage optimisation, hence a more efficient use of grid resources.
Members
Convenor
(GB)
J. YU
Secretary
(GB)
J. LIANG
A. MOON (GB), C. LIU (CN), G. LI (GB), X. WANG (CN), T. JOSEPH (GB), Y. WANG (CN), N. MACLEOD (GB), Z. MA (CN), W. LIU (GB), S. NORRGA (SE), S. JUPE (GB), R. MAJUMDER (SE), P. ATTAVIRIYANUPAP (JP), P. DWORAKOWSKI (FR), S. RUPP (DE), D. CORBET (FR), P. LURKENS (DE), P. MAIBACH (CH), G. D. CARNE (DE), M. CORTI (IT), A. LUKASCHIK (DE), T. MANNA (US), G. KONSTANTINOU (AU)
Embedded as part of distribution grids, MVDC systems are expected to facilitate a growing number of distributed renewable energy sources, which require power electronics interfaces largely, and a growing number of DC loads. MVDC systems are envisaged to collect power from renewable resources (such as the collection system of the onshore and offshore wind farms and solar farms) and to distribute power to DC loads such as hydrogen, power-to-gas, high power charging and energy storage systems. In addition to the direct connections, MVDC distribution systems are envisaged to take on more significant duties including:
- Enabling more power transfer from the existing assets, to create access to networks for more distributed resources;
- Enabling faster power charging for an electrified transport system through DC charging;
- Providing a more controllable means to enable a more reliable supply;
- Providing a more efficient and sustainable network by reducing overall system power losses;
- Enabling more services that distribution system owners and the connected users can provide for the system operation, i.e. Distribution System Operation transition;
- Coupling between low voltage (LV, e.g., 400 V) and transmission voltage (higher than 132 kV) to enable a holistic control.

Figure 1 - Angle DC site: fully commissioned in 2022, North Wales, UK
Based on the previous efforts from CIGRE working groups of both C6 (Active Distribution Systems and Distributed Energy Resources) and B4 (DC Systems and Power Electronics), the working group: C6/B4.37 ‒ Medium Voltage DC Distribution Systems has been set up to produce this technical brochure at the international level, particularly driven by Angle DC, an international ground breaking UK flagship Network Innovation Competition Project.
The focus of the Technical Brochure ‘Medium Voltage Direct Current (MVDC) Systems’ is on the structure, planning, operation and connection of MVDC systems to the existing power system architecture from a technology and benefits point of view. The topologies and structure of MVDC systems provided are reasonably replicable into a generic MV distribution network. This technical brochure can be jointly read with the outcome of the recent CIGRE WG C6.31 (TB 793) for information on the feasibility of MVDC grids.
MVDC has been developed as a valid and disruptive alternative to the existing electricity distribution, industrial applications, net-zero transport and offshore energy collections: a market with the potential of $88 billion from 2025.

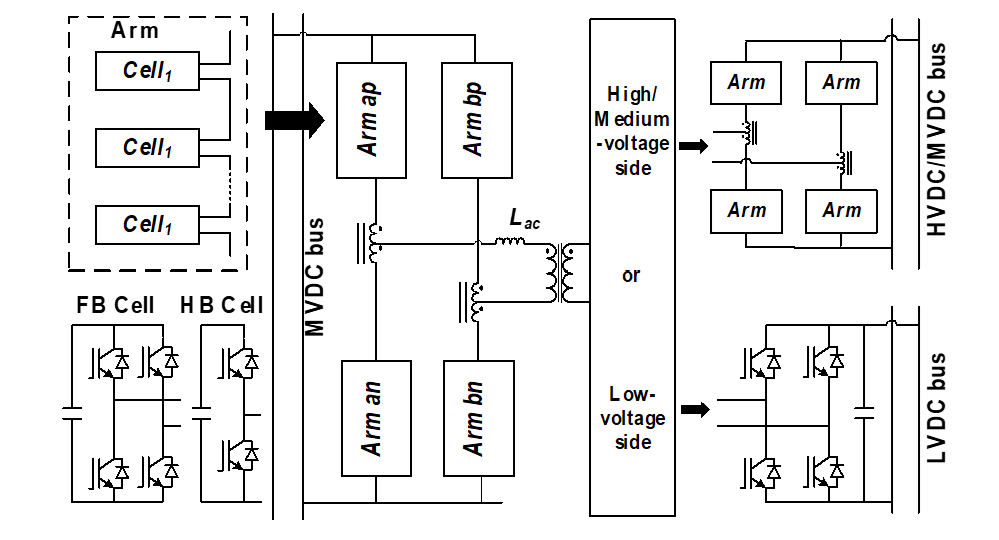
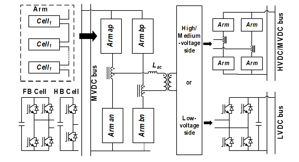
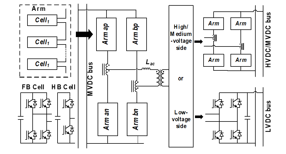
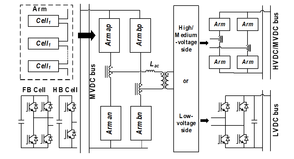
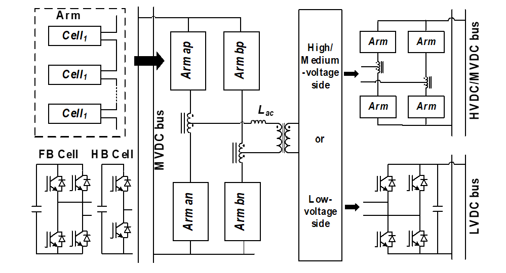
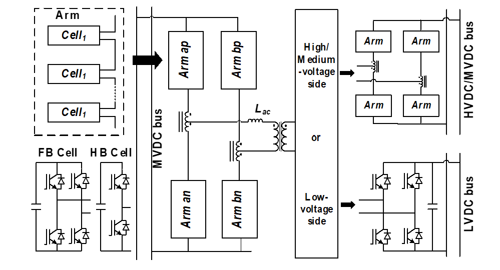
Figure 2 - Isolated modular multilevel DC-DC converter consisting of an MMC stage at medium-voltage side connected to an MVDC bus
The brochure addresses and explores the MVDC technology, standards and business benefits comprehensively. Based on actual innovation and demonstrations, this TB stands out for its practical considerations and serves as the blueprint for future applications.
In this Technical Brochure, key findings and engineering standards regarding the planning and design, project delivery, operation and protection, and grid interconnection of MVDC distribution systems have been discussed. This TB reflects the latest industrial insights and the effective interactions between research communities and the industry at the international level to uplift the readiness of MVDC market. The potential advantages of MVDC networks as an integrated part of and an alternative to AC distribution networks are explored. MVDC standards are summarised. MVDC drive systems and their applications are also provided.

Figure 3 - A VSC-based MVDC traction power supply system [126]
The key findings cover:
- MVDC Distribution Planning Practices: There is currently no international standards on MVDC. The engineering practices are required to reference and combine some of HVDC testing procedure as well as the conventional AC distribution connection codes, where the system is part of. Based on the demonstration project from Angle DC, it confirmed that the MVDC can satisfy the existing connection codes;
- Comprehensive operational and protection requirements: The TB identifies the requirements for power management, energy balance, power distribution, and power-sharing among DER and other sources. Distribution network operation with MVDC and co-ordination with other DER, like PV and wind farms, has also been referenced;
- How MVDC can be the effective interface for LVDC and HVDC: Future MVDC networks will be the middle layers interconnecting the HV and LV systems (not only DC but AC systems). Power conversion topologies for such interconnections are discussed in this chapter.
- Other important applications that can benefit from this technology such as MVDC Drive Systems, offshore energy connections and transports;
- This TB also highlighted challenges, potential risks, and solutions for the MVDC roll-out from the learnings of existing projects. Design recommendations and key considerations for MVDC system deployment are provided.
To achieve a future power electronics based MVDC system, a lot of efforts are still needed: low-cost, high-efficient and reliable power converters, fast and reliable DC protection equipment, system control and protection approaches, holistic planning criteria and tools, etc. This technical brochure will contribute to promoting the development of DC technology in distribution systems from both research and industrial practices.
Acknowledgments
Thanks to all members and corresponding members for their participation and contributions. Special thanks to Stephan Rupp, Philippe Maibach, Tapan Manna, Xiaohui Wang, Piotr Dworakowski, Ritwik Majumder, Staffan Norrga, Chuang Liu, Peter Lürkens and Matteo Corti for their hard work and valuable contributions. Thanks to Wei Liu and Gayan Abeynayake for the strong support for the technical chapters. Thanks to David Corbet and Zhao Ma, for the participation and valuable comments to the Technical Brochure. Thanks to Samuel Jupe for proofreading the final draft of the Technical Brochure. Thanks to Gen Li and Tibin Joseph for the coordination and organisation of the activities of this Working Group. Thanks to Gen Li for finishing the editing and proofreading of the Technical Brochure.